| 步距角精度 | Step Accuracy | ± 5% |
| 温升 | Temperature Rise | 80 ℃ Max |
| 绝缘电阻 | Insulation Resistance | 100MΩ Min.500VC DC |
| 环境温度 | Ambient Temperature | -20℃~+50℃ |
| 绝缘强度 | Dielectric Strength | 500VAC 1 minute |
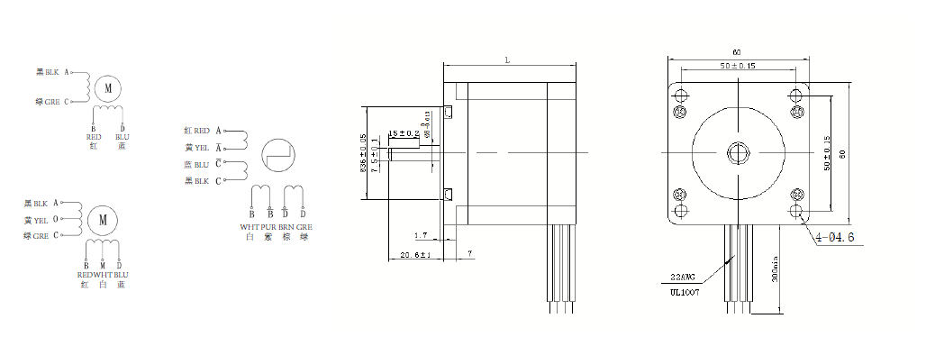
| 最大径向负荷 | Max Radial Force | 75N (20mm from front flange) |
| 最大轴向负荷 | Max Axial Force | 15N |
| 电机 型号 | 步距角 (°/STEP) | 引线数 (NO.) | 电压 (V) | 电流 (A/PHASE) | 电阻 (Ω/PHASE) | 电感 (MH/PHASE) | 静转矩 (KG.CM) | 机身高度 L(MM) | 重量 (KG) |
|---|---|---|---|---|---|---|---|---|---|
| 60BYGH402-13A | 1.8 | 6 | 2.4 | 3.0 | 0.8 | 1.6 | 10 | 56 | 0.77 |
| 60BYGH410-05A | 1.8 | 4 | 6.0 | 1.0 | 6.0 | 16 | 12.5 | 56 | 0.77 |
| 60BYGH502-03A | 1.8 | 4 | 5.32 | 1.4 | 3.8 | 10 | 12.5 | 64 | 1.00 |
| 60BYGH500 | 1.8 | 6 | 3.6 | 1.5 | 8.4 | 8.0 | 12.5 | 64 | 1.00 |
| 60BYGH805-56 | 1.8 | 4 | 2.8 | 4.0 | 0.8 | 3.5 | 23.5 | 87 | 1.34 |
| 60BYGH808A | 1.8 | 4 | 4.5 | 3.0 | 1.5 | 5.0 | 26 | 87 | 1.34 |
*以上仅为代表产品,派生产品可按客户需求定制。
*该产品可适配52,56减速箱。
