| 步距角精度 | Step Accuracy | ± 5% |
| 温升 | Temperature Rise | 80 ℃ Maxl |
| 环境温度 | Ambient Temperature | -20℃~+50℃ |
| 绝缘电阻 | Insulation Resistance | 100MΩ Min.500VC DC |
| 绝缘强度 | Dielectric Strength | 500VAC 1S |
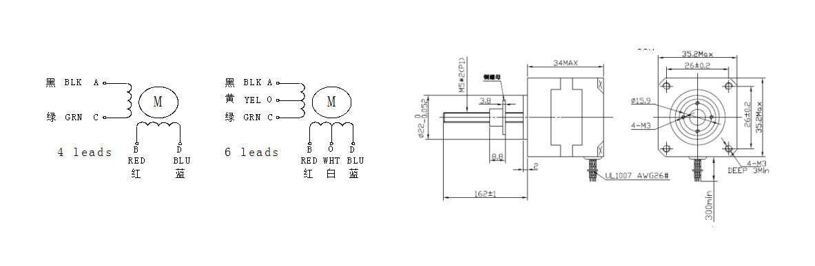
| 电机 型号 | 步长 (MM/STEP) | 机身长 (MM) | 相电压 (V) | 相电流 (A) | 相电阻 (Ω) | 相电感 (MH) | 静转矩 (KG.CM) | 引线数 (NO.) | 转动惯量 (G.CM2) | 定位力矩 (G.CM) | 重量 (KG) |
|---|---|---|---|---|---|---|---|---|---|---|---|
| 35BYGL402E | 0.01 | 34 | 3.6 | 0.8 | 4.5 | 4.5 | 1.0 | 4 | 13 | 95 | 0.17 |
| 35BYGL401 | 0.01 | 34 | 12 | 0.5 | 24 | 12 | 1.0 | 6 | 13 | 95 | 0.17 |
*以上仅为代表产品,派生产品可按客户需求定制。
