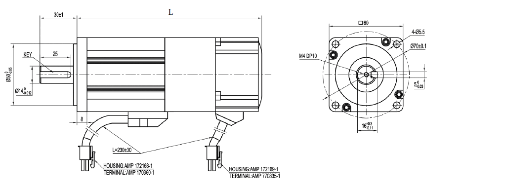
| 绝缘等级 | Insulation Class | F |
| 防护等级 | Protection Level | IP65 |
| 环境要求 | Environment Requirement | 工作/Work: 0℃~+55℃ 保存/Preserve: 20℃~80℃ 工作或保存/Work or Preserve: 90%RH (无结露/No Condensation) 海拔1000米/ Above Sea Level 1000m 振动/ Vibration: 5.88/S 2.10-60Hz |
| 电机 型号 | 额定 功率 (WATTS) | 额定 电压 | 额定 电流 (AMPS) | 额定 转速 (RPM) | 额定 力矩 (N.M) | 峰值 力矩 (N.M) | 反电 势常数 (V/KRPM) | 力矩 系数 (N.M/AMPS) | 转子 惯量 (KG.CM2) | 绕线 (线间)电阻 (Ω) | 绕线 (线间)电感 (MH) | 电气 时间常数 (MS) |
|---|---|---|---|---|---|---|---|---|---|---|---|---|
| ES6004A-40S30B1 | 400 | 310 | 2.65 | 3000 | 1.27 | 3.81 | 32 | 0.48 | 0.67 | 3.5 | 8.0 | 1.3 |
| ES6004A-40S30B2 | 400 | 310 | 2.65 | 3000 | 1.27 | 3.81 | 32 | 0.48 | 0.67 | 3.5 | 8.0 | 1.3 |
| ES6005A-40D30A2 | 400 | 310 | 2.65 | 3000 | 1.27 | 3.81 | 32 | 0.48 | 0.67 | 3.7 | 12.0 | 1.3 |
| ES6005A-40D30L1 | 400 | 310 | 2.65 | 3000 | 1.27 | 3.81 | 32 | 0.48 | 0.67 | 3.7 | 12.0 | 1.3 |
| ES6005A-40D30L2 | 400 | 310 | 2.65 | 3000 | 1.27 | 3.81 | 32 | 0.48 | 0.67 | 3.7 | 12.0 | 1.3 |
| ES6005A-40D30A1 | 400 | 310 | 2.65 | 3000 | 1.27 | 3.81 | 32 | 0.48 | 0.67 | 3.7 | 12.0 | 1.3 |
| ES6005A-20S30N1-T | 200 | 310 | 1.6 | 3000 | 0.64 | 1.91 | 32 | 0.45 | 0.42 | 8.8 | 24.0 | 1.3 |
| ES6005A-20S30N2-T | 200 | 310 | 1.6 | 3000 | 0.64 | 1.91 | 32 | 0.45 | 0.42 | 8.8 | 24.0 | 1.3 |
| ES6005A-20D30L1 | 200 | 310 | 1.6 | 3000 | 0.64 | 1.91 | 32 | 0.45 | 0.42 | 8.8 | 24.0 | 1.3 |
| ES6005A-20D30L2 | 200 | 310 | 1.6 | 3000 | 0.64 | 1.91 | 32 | 0.45 | 0.42 | 8.8 | 24.0 | 1.3 |
| ES6005A-20D30A1 | 200 | 310 | 1.6 | 3000 | 0.64 | 1.91 | 32 | 0.45 | 0.42 | 8.8 | 24.0 | 1.3 |
| ES6005A-20D30A2 | 200 | 310 | 1.6 | 3000 | 0.64 | 1.91 | 32 | 0.45 | 0.42 | 8.8 | 24.0 | 1.3 |
| 低压伺服 ES6004H-20S30B1 | 200 | 36 | 9 | 3000 | 0.64 | 1.92 | 0.32 | 0.25 | 0.5 | 1.3 | ||
| 低压伺服 ES6004G-40S30B1 | 400 | 48 | 12 | 3000 | 1.27 | 3.81 | 0.45 | 0.29 | 0.65 | 1.3 |

