| 绕线接法 | Winding Type | Star |
| 霍尔角度 | Hall effect angle | 120° Electrical angle |
| 绝缘等级 | Insulation Class | B |
| 环境温度 | Ambient Temperature | -20℃~+50℃ |
| 绝缘电阻 | Insulation Resistance | 100MΩ Min.500VC DC |
| 绝缘强度 | Dielectric Strength | 600VAC 1 minute |
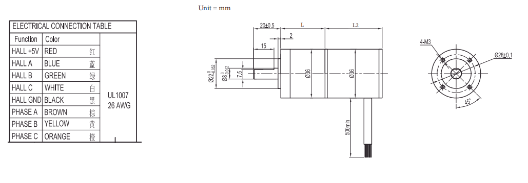
| 电机尺寸 | Motor size | 36*36(mm) |
| 可选匹配齿轮箱36减速比 | 1/5 1/16 1/20 1/25 1/62 1/76 1/94 1/117 |
| 电机 型号 | 极数 | 相数 | 额定 电压 (VDC) | 额定 转矩 (N.M) | 额定 转速 (RPM) | 额定 电流 (AMPS) | 输出 功率 (WATTS) | 峰值 转矩 (N.M) | 峰值 电流 (AMPS) | 力矩 常数 (N.M/AMPS) | 反电势 常数 (V/KRPM) | 机身 高度 (MM) |
|---|---|---|---|---|---|---|---|---|---|---|---|---|
| 36BLY01 | 4 | 3 | 24 | 0.03 | 3000 | 0.60 | 9.4 | 0.09 | 1.80 | 0.05 | 5.3 | 42 |
