| Step accuracy | +- 5% |
| Temperature rise | 80°C Max |
| Ambient temperture range | -20°C - +50°C |
| Insulation resistance | 100MΩ.500VC DC |
| Dielectric strength | 500V AC 1 minute |
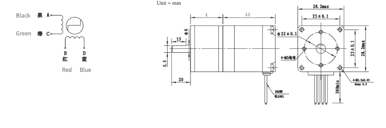
| 电机尺寸 | Motor size | 28*28(mm) |
| 可选匹配齿轮箱28减速比 | 1/6 |
| 电机 型号 | 步距角 (°/STEP) | 相电压 (V) | 相电流 (A/PHASE) | 相电阻 (Ω/PHASE) | 相电感 (MH/PHASE) | 静转矩 (N.M) | 机身 高度 (MM) |
|---|---|---|---|---|---|---|---|
| 28BYGH102-39 | 1.8 | 3.90 | 0.67 | 5.8 | 3.2 | 0.06 | 32 |
| 28BYGH301-22 | 1.8 | 4.56 | 0.67 | 6.8 | 4.9 | 0.095 | 45 |
| 28BYGH501-29 | 1.8 | 8.04 | 0.67 | 12 | 7.2 | 0.12 | 51 |
